Funkbake DB0JW
Die Funkbake DB0JW ist vom DARC OV Eschweiler (G05) bis zu ihrem Abbau im Jahre 2008 an ihrem alten Standort, der Grundschule in Eschweiler-Stich, betrieben worden. Sowohl die Baken-Hardware als auch die Lizenz wurden anschließend dem OV Hürth (G50) übergeben.
DB0JW wird zur Zeit vom DARC OV Hürth (G50) auf Basis moderner, modularer Technologie neu konstruiert und sukzessive an ihrem neuen Standort in Hellenthal-Miescheid in Betrieb genommen. Nach der Inbetriebnahme des 2m-Moduls 2012 wird als nächstes das Modul für 70cm fertiggestellt.
Standort
| Anschrift | Grenzstr. 7, 53940 Hellenthal-Miescheid | |
| Locator | JO30EK | |
| Koordinaten | Long | 06.38161 E (06° 22' 54'' E) |
| Lat | 50.42963 N (50° 25' 47'' N) | |
| Höhe | 656 m über NN |
Betriebsdaten
| Band | Frequenz | Azimut | Polarisation | Antenne | Leistung (EIRP) | Modulation | Status |
|---|---|---|---|---|---|---|---|
| 2 m | 144,415 MHz | ND | Horizontal | 2 x 2 m Big Wheel gestockt | 10 W | F1A (Shift 800 Hz) | AKTIV |
| 70 cm | 432,410 MHz | ND | Horizontal | 4 x 70cm Doppelquad DQ 70 | F1A (Shift 800 Hz) | AKTIV | |
| cm | 1296,985 MHz | Nord-Nord-Ost | Horizontal | Wimo PA-23R | 10 W | F1A (Shift 800 Hz) | AKTIV |
Empfangsberichte
Der OV Hürth (G50) freut sich über jegliche Art von Empfangsbericht der Bake DB0JW. Wer den Empfang von DB0JW bestätigen möchte, kann seine Bestätigung sowohl per QSL-Karte an DB0JW als auch per Email an db0jw(at)darc.de an uns senden. Vielen Dank schon mal vorab für Ihren Bericht!
Eine Auswahl an Empfangsberichten von DB0JW kann auf der Webseite von BEACONSPOT.uk eingesehen werden (derzeit nur für registrierte Benutzer):
| Liste |
|---|
| DB0JW 2m |
| DB0JW 70cm |
| DB0JW 23cm |
Technik
Aufbau
Außenschrank
Die Bake ist aufgebaut in einem Stahlschrank 800mm x 600mm x 320mm (H,B,T) der Firma Schroff. Der Schrank hat die Schutzart IP66. Die Tür ist abschließbar. Der Schrank ist mit einer rückwärtigen Montageplatte ausgestattet, auf der alle Elemente befestigt sind. Im Schrankboden befindet sich eine Flanschplatte für den Einbau von Stopfbuchsen und Steckverbindern.
Im unteren Schrankteil befindet sich die Netzversorgungseinheit in einem zweireihigen AP-Kunststoffgehäuse. Hier befinden sich Vorsicherung, RCD (FI-Schalter), Wechselstromzähler, Leitungsschutzschalter für die einzelnen Bakenmodule und eine Servicesteckdose. Eine Potentialausgleichsschiene befindet sich ebenfalls im unteren Schrankbereich. Die Verdrahtung erfolgt in Kabelkanälen. Gegen Schwitzwasser ist eine Schaltschrankheizung mit 50 Watt Leistung und integriertem Thermostaten installiert.
19-Zoll Baugruppenträger
Die Bakensendermodule und die zugehörigen Lüftermodule sind, im oberen Schrankteil, in einem 19“ Baugruppenträger untergebracht. Im Baugruppenträger sind 6 und 3 HE Einschübe vorgesehen. Die Baken- und Lüftermodule werden im 6 HE-Teil untergebracht und die zugehörigen Netzteile im 3 HE-Teil.
Moduleinbau
Bakenmodule und Lüftermodule sind abwechselnd im Einschub montiert. Die Lüfter befinden sich jeweils links vom zugehörigen Bakenmodul und werden durch dieses nach Bedarf gesteuert. Aus thermischen Gründen befinden sich die Kühlkörper der, als Endverstärker dienenden, HF-Module auf der Lötseite der Bakenplatinen. Die Kühlkörper liegen somit unmittelbar im Luftstrom des zugehörigen Lüfters.
Lüftermodule
Die Lüfter werden bei Bedarf durch das jeweilig Sendemodul eingeschaltet, wenn die Kühlkörpertemperatur etwa 40°C übersteigt. In jedem Lüftermodul befinden sich zwei Lüfter mit einem Durchmesser von 80 mm und einer Luftleistung von 61,1 m3/h. Der Betrieb wird durch eine LED in der Frontplatte signalisiert. Die Lüfter werden mittels PWM-Regelung betrieben. Vorgesehen ist eine Regelung, die mit 40% Lüfterleistung bei 40°C beginnt und bei etwa 60°C dann 100% erreicht.
Die Leistungstreiber für die Lüfter befinden sich auf den Bakenplatinen. Die Lüfterboards sind passiv.
Bakenmodule
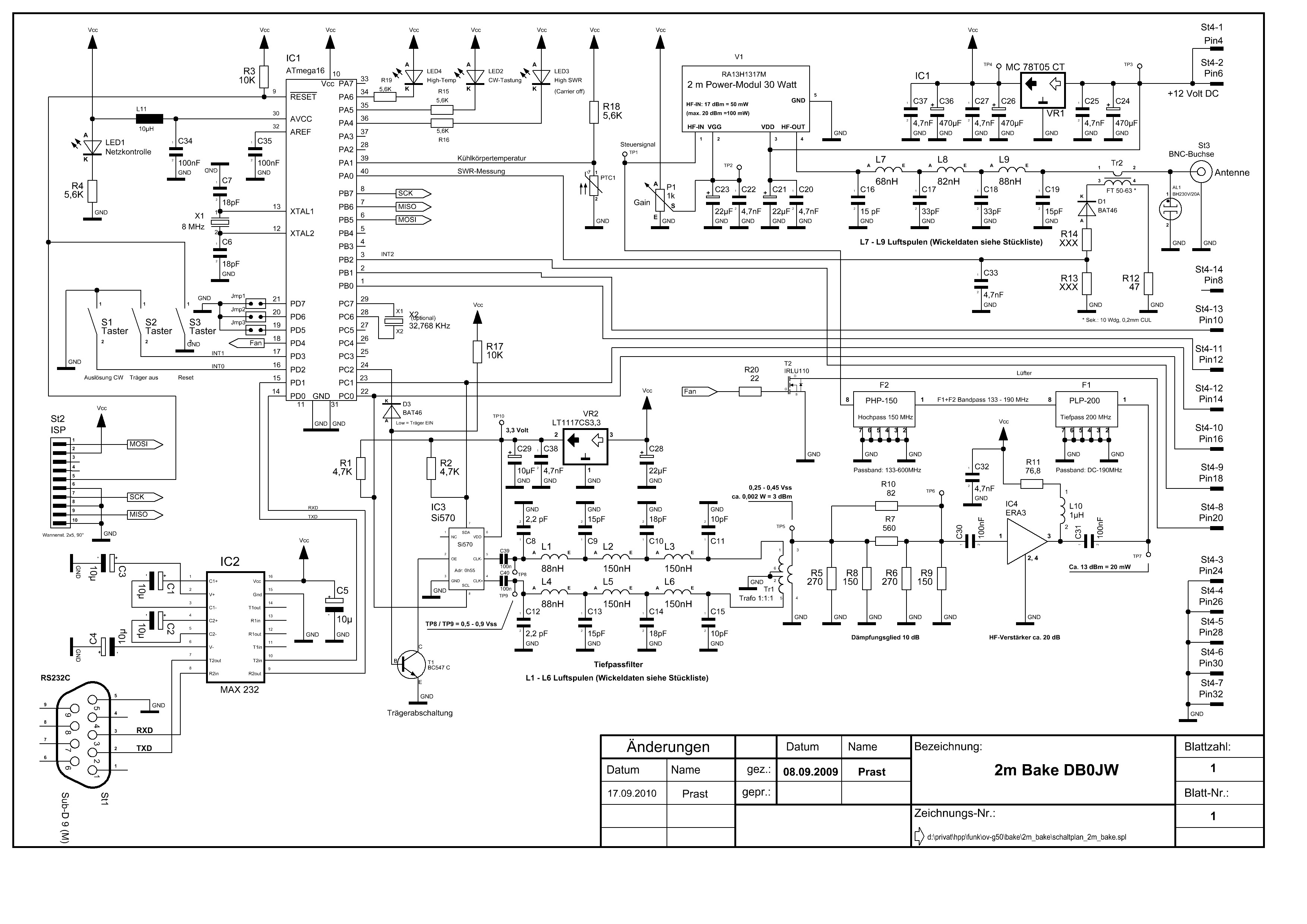
Die Basis für das 2m-Bakenmodul stellt ein programmierbarer Quarzoszillator (Si570) der Firma Silicon Labs dar. Die Steuerung des Si570, sowie die CW-Tastung ist mit einem Atmel ATmega16 realisiert. Dieser übernimmt auch die Erfassung der Kühlkörpertemperatur, die Lüfter- und Heizungsregelung sowie die indirekte SWR-Messung. Als Endstufe kommt ein MOSFET-Leistungsverstärker-Modul von Mitsubishi (RA30H1317M) zum Einsatz.
Da die Auswirkung von Temperaturschwankungen auf den Si570 in Bezug auf die Frequenzstabilität leider nicht vernachlässigt werden können, wird für den Si570 eine Heizung vorgesehen. Gleichzeitig muss die Lüfterregelung derart parametriert werden, dass sich die Kühlkörpertemperatur auf ca. 50°C einpendelt.
Bei einer Kühlkörpertemperatur über 70°C wird auf dem zugehörigen Bakenmodul durch Abschalten des Ausgangs am Si570 die Ansteuerung des Leistungsverstärker-Moduls unterbrochen, bis die Temperatur wieder Werte unter 40°C erreicht hat. Ebenfalls abgeschaltet wir die HF-Ansteuerung bei sich verschlechterndem SWR-Wert, genauer gesagt bei einem Absinken der gemessenen Ausgangsleistung. Diese Notabschaltung kann nur durch manuellen Eingriff wieder aufgehoben werden, da in diesem Fall von einem Fehler an der Außenanlage (Antenne, Kabel etc.) ausgegangen werden muss.
Historie
Bis zur Abschaltung im Jahre 2008 wurde die Bake DB0JW durch den Ortsverband Eschweiler (G05) betrieben und betreut. Die technische Daten von DB0JW an ihrem alten Standort, der Grundschule in Eschweiler-Stich, lauteten:
Standort: Grundschule Stich, Stich 60, 52249 Eschweiler (JO30DU)
Höhe: 220 m über NN
Modulation: F1A
| Band | Frequenz | Leistung (ERP) | Hauptstrahlrichtung |
|---|---|---|---|
| 2 m | 144.415 MHz | 50 W | Nord-Ost |
| 70 cm | 432.975 MHz | 50 W | Nord-Ost |
| 23 cm | 1297.910 MHz | 50 W | Nord-Ost |
| 13 cm | 2320.900 MHz | 1 W | Nord-Ost |
Da sich in der Umgebung kein neuer Standort für DB0JW finden ließ, wurde die Bake einschließlich der zugehörigen Hardware und der Lizenz am 22.11.2008 an den Ortsverband Hürth (G50) übergeben und das Umschreiben der Lizenz bei der Bundesnetzagentur beantragt. Vor der Wiederinbetriebnahme entschied sich der Ortsverband Hürth (G50), die Bake komplett in moderner, kompakter und sparsamer Technik neu aufzubauen. Hierdurch versprach man sich unter anderem einen geringeren Wartungsaufwand und eine einfachere Standortsuche.
Montage des Baugruppenträgers und des 2m-Moduls
Am 03.09.2011 wurden während des G50-Aktivitätstages in Hellenthal-Miescheid erste Montage- und Aufbauarbeiten für die Bake DB0JW vorgenommen. Der vormontierte Schaltschrank wurde mit vereinten Kräften im Hausanschlussraum des designierten Bakenstandortes an der Wand befestigt. Nachdem einige Meter Kabelkanäle für die HF- und Elektroleitungen befestigt wurden, erfolgte die Anbindung an das Stromnetz. Anschließend erfolgte ein kurzer Test des 2m-Bakenmoduls mit einer provisorischen Antenne.
Neue Rufzeichenzuteilung DB0JW im Jahr 2012
Am 31.05.2012 ist Günther Mester (DL3KAT) von der Bundesnetzagentur das Bakenrufzeichen DB0JW für den Standort Hellenthal-Miescheid zugeteilt worden. Die Zuteilung enthält folgende Daten:
| Band | Frequenz | Bandbreite | Azimut | Max. Strahlungsleistung |
|---|---|---|---|---|
| 2 m | 144,41500 MHz | 1 kHz | ND | 10 W |
| 70 cm | 432,41000 MHz | 1 kHz | ND | 10 W |
| 23 cm | 1.296,98500 MHz | 1 kHz | ND | 10 W |
| 13 cm | 2.320,82000 MHz | 1 kHz | ND | 10 W |
Mastfundament für Antennenmast der Bake DB0JW gegossen
Am 10.05.2013 haben sich in Miescheid am Standort der Bake DB0JW drei tatkräftige Mitglieder des OV Hürth (G50) getroffen, um das Mastfundament für den neuen Antennenmast der Bake DB0JW anzufertigen. Günther Mester (DL3KAT), Werner Kloss (DH8KW) und Achim Bollmann (DO5YS) haben in körperlicher Schwerarbeit neben dem Erdaushub auch einen Staberder und einen geschweißten Metallkorb aus Gewindestangen zur Befestigung des ehemaligen Fahrleitungsmastes einbetoniert. Dieser soll nach der Errichtung die Antennen der Bake DB0JW tragen.
























