Hinweis:
| Dies ist ein Archiv-Verzeichnis für OV-Abende eines früheren Kalenderjahres. | |
| Bei der Navigation durch die Jahrgänge hilft das | ▶ Archiv. |
| Inhalte des aktuellen Jahres finden sich unter | ▶ Aktuelles. |
Eigenentwicklung einer Steuerungsoberfläche mit Python und Tkinter
Peter (DF7PE) schilderte, wie eine einfache, selbst entwickelte Lösung zur Fernsteuerung eines Netzgerätes realisiert werden kann. Peter zeigte, wie das mit einfachen Mitteln in Python gemacht wird, unter Verwendung der erweiterung Tkinter und der Verwendung einer (in seinem Beispiel offenen) Programier-Library für das zu kontrollierende Netzgerät.
Die Methode ist nicht begrenzt auf das gezeigte Netzgerät un dgenerell anwendbar, und erschien gar nicht so kompliziert! (Januar 2022)
Bericht vom OVV Wolfgang: Hacker-Angriffe, Bundesnetzagentur, Fragestunde
Wolfgang (DL1WOL) berichtete über die aktuellen Statistiken der Bundesnetzagentur, über Hintergründe von Hackerangriffen und wie es angegriffenen Unternehmen ergehen kann, über Verlauf uns Zahlen von abgehaltenen Amateurfunkprüfungen. Auch Frequenz-Zuweisungen für 4m (70 MHz) und 6m (50 MHz) waren ein Thema.
Ein lockerer Plausch rundete den Online OV-Abend ab. (Februar 2022)
Entwurf, Aufbau und Vermessung einer Halbleiter-PA mit zwei LDMOS Transistoren BLF-189
Bernd (DB3GF) und Matt (DK9MAT) stellten Ihren der Entwurf einer Halbleiter-PA mit zwei LDMOS Transistoren BLF-189 vor, der bisher in drei Exemplaren aufgebaut wurde. Die drei Endstufen sind seit April bzw. September 2021 störungsfrei in Betrieb, wurden erfolgreich vermessen und erfüllen die FCC Richtlinie.
Maßgeblich für die Entwicklung war ein wirksames Schutzkonzept rund um die sensitiven Halbleiter, alle verwendeten Schutzschaltungen sind Hardware-basiert, der Mikroprozessor übernimmt lediglich Monitorfunktionen und bedient das CAT-Interface zur Umschaltung der jeweiligen Bandfilter.
Bernd und Matt erläuterten neben den Eigenschaften insbesondere auch die Schutzvorrichtungen und die erforderlichen Messreihen und deren Hintergründe. Der Online OV-Abend war auf Grund des spannenden Themas sehr gut besucht, es wurde viel gefragt und gefachsimpelt (März 2022).
Eine detaillierte Baumappe steht zum Download unter https://www.dk9mat.darc.de/ zur Verfügung.
Entwurf, Aufbau und Vermessung einer Multi-band Windom mit QRO Speise-Netzwerk




Bernd (DB3GF) berichtete über den Aufbau eines außermittig gespeisten Dipols ähnlich einer klassischen Windom, erweitert auf das 15m Band mit parallelem strahlungsgespeistem Dipol - fuer QRO Betrieb.
Bernd schilderte seinen Aufbau ebenso wie die Messungen am Speisesystems für hohe Sendeleistung 2kW+ (Mantelwellensperre und Balun). Weitere Themen waren die rechnergestütze Ermittlung des günstigsten Speisepunktes am OCFD und der Entwurf des parallelen, abgehängten 15m Dipols, sowie die Materialauswahl, der praktische Aufbau und die messtechnische Optimierung des Gesamtsystems.
Zahlreiche interessierte Fragen rundeten den virtuellen OV-Abend ab (April 2022).
Eigenbau eines 10m Repeater mit Duplexweiche
Hans (DG8GAA) berichtete im Rahmen eines Gastvortrags und anlässlich des ersten wieder in Präsenz stattfinden OV-Abends über Stationen und Erkenntnisse beim Entwickeln einer für einen 10m Repeater geeigneten Duplexweiche und den natürlich notwendigen elektronischen Aufbau des Repeaters.
Während und auch nach dem Vortrag ergaben sich viele interessierte Nachfragen und ein reges Fachsimpeln (Mai 2022).
Die Technik in modernen Breitband-Kommunikationsnetzen
Marcus (DJ2TY) berichtete über Vergangenheit und aktuellen Stand der Breitband-Kommunikationsnetze, die wir alle noch von früher als "Koax-Netzwerke" kennen und über die früher eben das Kabelfernsehen in Haushalte verteilt wurde.
In seinem Vortrag zeigte Marcus die Entwicklung von früher bis heute auf und am Beispiel des aktuellen Standards Docsis 3.1, wie eine moderne Kopfstation aussieht, welche Datenübertragungs-Kapazitäten zur Verfügung gestellt werden und wie nebenbei auch noch das bekannte Fernsehprogramm mit übertragen wird.
Viele Fragen rundeten den Präsenz OV-Abend im Seminarraum des gasthoff Engel ab (Juni 2022).
P14 Mitgliederversammlung mit Wahlen, neuer Vorstand
Am 1. Juli 2022 fand die im Vorfeld langristig angekündigte und wegen der Corona Pandemie mehrmals verschobene P14 Mitgliederversammlung mit OVV Wahl statt. Satzungsgemäß musste diese Veranstaltung in Präsenz durchgeführt werden und fand in unserem Standard Tagungslokal, dem Hotel Engel, in Ulm-Lehr statt.
OVV Wolfgang (DL1WOL) eröffnete die Veranstaltung, legte zusammen mit Andreas (DL1TT) Rechenschaft über den zurück liegenden Berichts-Zeitraum. Mit satzungsgemäß verteilten Rollen wurde danach die OVV-Wahl durchgeführt. Ohne Gegenstimmen wurde Hermann Schumacher (DF2DR) zum neuen OVV gewählt. Zum stellvertretenden OVV wurde Andreas Bork (DM4AB) gewählt.
Der neue Vorstand dankte dem scheidenden Vorstand für die erfolgreiche und vielfältige Arbeit der zurückliegenden 8 Jahre.
Viele P14 Mitglieder hatten gesammelt für Dankeschön-Geschenke für den scheidenden Vorstand. Diese wurden im Anschluss übergeben, live ausgepackt und fanden Begeisterung bei den Beschenkten!
Das Stehwellenverhältnis und Deine Antenne
Hermann (DF2DR) schilderte anschaulich und gleichzeitig technisch sehr fundiert, was das Stehwellenverhältnis über die Qualität einer Antenne aussagen kann.
Das Stehwellenverhältnis oder VSWR ist wohl die meist gemessene Größe in unseren Shacks. Doch warum dieser Name, und was sagt das VSWR überhaupt aus, vor allem, wenn es im Shack gemessen wird? Darauf gab der Vortrag ausführliche Antworten.
Als Bonus stellte Herman auch noch das Werkzeug Jupyter Notebook vor, mit dem man viele Rechnungen vereinfachen kann, und elegant Grafiken erzeugen kann. und das damit eine zeitgemäße Alternative zu den Nomogrammen darstellt, die in vielen Amateurfunk-Handbüchern noch heute zu finden sind.
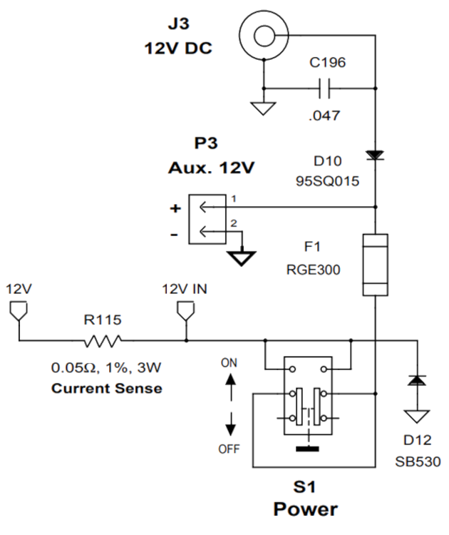
Verpolschutz mit "Idealer Diode"
Ein Verpolschutz für Geräte, die mit Gleichspannung versorgt werden und einen steckbaren Anschluss für die Stromversorgung haben, ist eine sinnvolle Beschaltung. In den meisten Fällen wird dafür eine Diode verwendet, die bei höheren Strömen aber erhebliche Verluste verursacht.
In seinem Vortrag stellte Matthias (DK9MAT) ein Verpolschutzkonzept basierend auf einem MOSFET vor, das die Verluste erheblich reduziert und so einfach wie möglich gehalten ist. Matthias gab auch eine Übersicht über verschiedene Dioden sowie MOSFETs, deren Unterschiede sowie Vor- und Nachteile.
Der Vortrag wurde während des OV-Abends am 2. September 2022 gehalten.
100 Jahre BBC, Geschichte von "2LO"
Angeregt durch eine Urlaubsreise nach Großbritannien schilderte Andreas (DM4AB) die Geschichte der ersten kommerziellen Radio-Aussendungen der BBC (damals: British Broadcast Company) und der verwendeten Sender, Antennenanlagen und Rufzeichen 2LO und 2MT.
Danach wurde das Schaltungskonzept des damals von Marconi entwickelten und hergestellten Senders zur gemeinsamen Diskussion und Erklärung gestellt.
Der Vortrag wurde während des OV-Abends am 2. September 2022 gehalten.
Vorschlag der neuen Amateurfunkverordnung
Ein Referentenentwurf zur Novellierung der Amateurfunkverordnung macht die Runde: CQ DL, Funkamateur und soziale Medien überschlagen sich, doch was soll man davon halten?
Hanspeter (DG6SK) führte uns auf Basis eines Einführungsvideos in eine vielfältige Diskussion. Das Thema polarisiert, einige hätten sich anderes oder mehr erwartet. In jedem Fall hatten wir eine facettenreiche Diskussion, die im Rahmen des OV-Abends am 7. Oktober 2022 stattfand.
Contests für jeden
Hermann (DF2DR) schlägt vor, dass Funkamateure generell mehr an Wettbewerben teilnehmen könnten und stellte mit seinem Vortrag „Contests für jeden“ die Grundzüge von Amateurfunk-Wettbewerben vor.
Gerade für Unerfahrene und Neulinge sind Wettbewerbe eine großartige Gelegenheit, einfach mal Funkbetrieb zu machen. Zunächst einmal ist dann die „Mikrofonscheu“ viel geringer: man weiß genau, was man sagen muss. Dann kann man Probleme beim hören von Rufzeichen usw. leicht dadurch kompensieren, dass man mehrfach zuhört. Und es ist hinreichend viel los auf den Bändern. Motto: Nicht nur auf FT8 schimpfen, sondern mal bei einem SSB- oder CW-Contest mitmachen!
Der Vortrag fand im Rahmen des OV-Abends am 7. Oktober 2022 statt.

































